CSI-B369 呼吸湿化设备湿化输出测试仪、湿度测试工装、湿度测试系统
一、概述:
湿度测试工装主要测试湿化器的湿化输出。
二、技术参数:
参数 | 规格 |
操作系统 | PLC+Windows |
操作界面 | 笔记本电脑 |
标准温度传感器 | 热敏电阻温度传感器;在温度25℃~45℃时精度为±0.2℃ |
测试温度范围 | RT ~50℃ |
温度探头规格 | φ3.18*6mm |
气体流量计 | 0~150L/min 精度:±2% 气体输入输出口径为22mm |
天平 | 量程:10kg 精度:0.1g 带通讯(选配) |
电源 | AC220V 50Hz 功率:250W |
仪器规格 | 360*360*400mm |
三、执行标准
YY9706.274-2022 《医用电气设备 第2-74部分:呼吸湿化设备的基本安全和基本性能专用要求》

四、仪器特征
1、便携式终端处理系统(包括软件测试与分析系统):
采用便携式笔记本电脑,操作简单直观方便,软件系统采用Windows10系统,试验报告可以多种格式输出(如EXCL、PDF等)
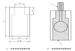
2、标准温度传感器
2.1)在水中以1m/s的流量实现22℃阶跃到37℃时,0.5s<温度传感器时间常数<1.0s;
2.2)环境温度对传感器精度的影响<0.01℃/1℃。
3、传感器构造:
3.1)1根6mm长的外径为3.18mm的铜管。内径宜为热敏电阻珠留出足够的间隙。按照下图中给出的尺寸且热传导率>386W/(m·K)的任何材料。热敏电阻在25℃~45℃(在等温混合的空气或水中)之间,精度为±0.2℃。供应商通常具有在25℃时阻值2252Ω的热敏电阻。
3.2)热敏电阻的电导线宜是#32规格的镀锡铜线,长度至少为60mm[包含其他热传导率180W/(m·K)的材料]。热敏电阻的电导线宜被套上以实现电气绝缘和热隔离。热塑管达到了两个目的,包含任何热传导率<0.02W/(m·K)的电绝缘材料。
4、尺寸:符合下图单位:毫米

五、配置清单
主机1台;
说明书1份;
合格证1份;
保修卡1份;
签收单1份;
铭牌1块;
电源线1根;
扳手1套;
配套输出接头 22M/22F (可选配其他规格)
笔记本电脑 1台(选配)
电子天平 1台(选配)
标准温度传感器 2个
数据通讯线;1套

